Артикул:
ES-27
Шиномонтажный подъемник ES-27
Мобильный шиномотажный подъемник ES27 грузоподъемность 2700 кг. Позволяет обслуживать легковые автомобили, пикапы, внедорожники, фургоны, микроавтобусы. Предназначен для выполнения любых шиномонтажных работ, покраски и мойки авто.
Описание:
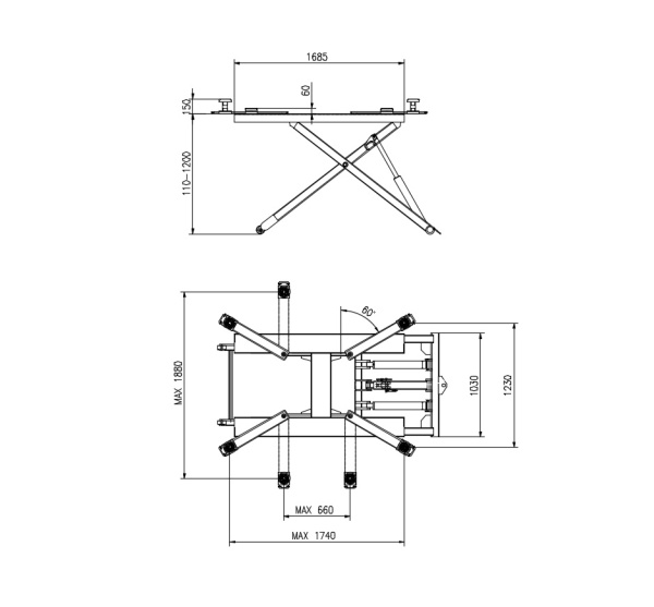
Шиномонтажный подкатной (передвижной) гидравлический подъёмник г/п 2,7т. Также подходит для замены колодок, чистки/смазки суппортов, работ с элементами подвески, для малярно-арматурных работ. Подхват (зависит от проставок) 90/150/195/265мм. Постановка на стопора автоматическая. Высота подъёма (зависит от проставок) 1200/1260/1305/1375мм. Длина платформ 1685 мм. Ширина платформы 1030 мм. Для легковых авто, внедорожников. Макс. ширина рамы авто 1880мм. Насос «Bucher hydraulics» 2,2кВт.
Особенности конструкции подъемника:
Сертифицирован для продажи в России и ЕС.
Напольное исполнение (не требуется выполнения дорогих фундаментных работ).
Вместе с подъемником в комплекте поставляются резиновые подушки - 4 шт. для поднятия рамных авто.
Наличие колес позволяет легко и быстро перемещать подъемник в любое место.
Ручные стопора
Высота подъема максимальная, мм 1375
Высота подхватов, мм 60/105/175
Длина платформы, мм 1685
Ширина платформы, мм 1030
Время подъема/опускания, сек 30
Мощность электродвигателя, кВт 2,2
Электропитание, В 220/380
Габариты, место №1 2300x1080x270 мм.
Габариты, место №2 920x400x470 мм.
Масса нетто/брутто, кг 434/451
Мобильный шиномотажный подъемник ES27 грузоподъемность 2700 кг. Позволяет обслуживать легковые автомобили, пикапы, внедорожники, фургоны, микроавтобусы. Предназначен для выполнения любых шиномонтажных работ, покраски и мойки авто.
Описание:
Шиномонтажный подкатной (передвижной) гидравлический подъёмник г/п 2,7т. Также подходит для замены колодок, чистки/смазки суппортов, работ с элементами подвески, для малярно-арматурных работ. Подхват (зависит от проставок) 90/150/195/265мм. Постановка на стопора автоматическая. Высота подъёма (зависит от проставок) 1200/1260/1305/1375мм. Длина платформ 1685 мм. Ширина платформы 1030 мм. Для легковых авто, внедорожников. Макс. ширина рамы авто 1880мм. Насос «Bucher hydraulics» 2,2кВт.
Особенности конструкции подъемника:
Сертифицирован для продажи в России и ЕС.
Напольное исполнение (не требуется выполнения дорогих фундаментных работ).
Вместе с подъемником в комплекте поставляются резиновые подушки - 4 шт. для поднятия рамных авто.
Наличие колес позволяет легко и быстро перемещать подъемник в любое место.
Ручные стопора
Технические характеристики ES27
Грузоподъемность, т 2,7Высота подъема максимальная, мм 1375
Высота подхватов, мм 60/105/175
Длина платформы, мм 1685
Ширина платформы, мм 1030
Время подъема/опускания, сек 30
Мощность электродвигателя, кВт 2,2
Электропитание, В 220/380
Габариты, место №1 2300x1080x270 мм.
Габариты, место №2 920x400x470 мм.
Масса нетто/брутто, кг 434/451
|
Страна производства
|
Китай |
|
Бренд
|
UNITE |
|
Масса
|
434 |
|
Мощность, кВт
|
2,2 |
|
Синхронизация
|
нижняя |
|
Тип подъемника
|
передвижной |
|
Выс.подъем.для подъемников
|
1375 |
|
Мин.подх.для подъемников
|
60 |
|
Грузоподъемность подъемника
|
2700 |
|
Вид подъемника
|
легковой |
|
Тип привода подъемника
|
электрогидравлический |
|
Напряжение питания
|
220/380 |
|
Цвет
|
синий |
Отзывы
Оставить отзыв
Загрузка отзывов...
Вы можете воспользоваться одним из следующих вариантов оплаты:
- Оплата наличными. Мы принимаем наличные деньги (только рубли) через кассовый фискальный аппарат.
- Безналичный расчет для юридических и частных лиц.
- Оплата банковской картой. Оплата происходит через ПАО СБЕРБАНК с использованием Банковских карт следующих платежных систем: VISA, VISA Electron, Maestro, MasterCard, МИР
Товар можно получить одним из следующих способов:
- Самовывоз товара с пункта выдачи по адресу в вашем городе.
- Курьерская доставка с 9-00 до 23-00 по рабочим дням. Покупатель обязуется разгрузить оборудование собственными силами и в кратчайшие сроки. Простой автомобиля оплачивается отдельно.
- Доставка одной из следующих транспортных компаний: "ПЭК" (Первая Экспедиционная Компания), "ЖДЭ" (ЖелДорЭкспедиция), "ЭНЕРГИЯ", "ДЕЛОВЫЕ ЛИНИИ", "СДЭК" и другие.

